
一、适用范围:
本产品是用于直流电压转换的设备,适用各种直流电源应用而需要电压转换的场合, 尤其是各种电动车车辆,如电动叉车,高尔夫球车, 游览车等, 也可应用于太阳能/风能等直流电源的电压转换。该转换器可提供输出为12V的电压。
二、特点:
三、详细参数:
|
型号 |
NQZB100-144-0I2C |
|
转换器标称电压 |
144V |
|
适用输入电压范围 |
115.2V-172.8V |
|
输出电压 |
12V±0.5V |
|
输出电流 |
10A |
|
长期工作功率 |
120W |
|
转换效率(满载) |
≥90% |
|
防水等级 |
IP55 |
|
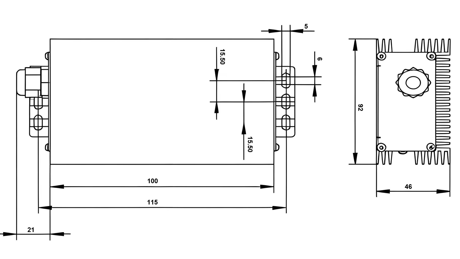
铝盒尺寸 |
100mm*92mm*46mm |
|
最小安装尺寸 |
115mm*92mm*46mm |
四、安装尺寸及接线:


五、维护、保修和注意事项:
维护:
1.应安装在散热良好的空间内。对于长期满载/重载应用,确保底面和其他金属表面之间有良好的接触以进行热传导。
2.接线时注意不要颠倒正负电源连接。
3.在使用过程中,应及时排除短路/过载故障,因为长时间的短路/过载会损坏设备。
保修期:12个月
注意事项:在以下情况下,产品不在保修范围内
1.转换器外壳严重变形或已拆卸。
2.接线错误造成的损坏,包括电源极性或输入/输出连接接反。
3.其他人为造成的损害。
联系人:陈小姐
手机:15359400086
电话:0592-7089609
邮件:saler01@xmdci.com
地址:厦门火炬高新区(翔安)产业区建业楼A座905室